MFL FirewallsAIA HSW
Matthew Stuart, P.E., S.E., P.Eng.
|
Course Outline
I. Definition
a. As defined
by Factory Mutual (FM) Engineering Corporation
II. Stability and strength of MFL firewalls
III. Types of
MFL Firewalls
a. Cantilever
b. Tied
c. One-way
d. Double
e. Reinforced concrete frame panels
IV. Special
Conditions
a. Control
of cracking
b. Parapets and roof protection
c. End walls and angle exposure
d. Pipes, conduits, cables and ducts.
e. Openings
f. Space separation
V. Recommendations
a. Strength
and stability
b. Firewall types
c. Special conditions
This course includes
a multiple choice quiz at the end.
Learning Objective
This course provides a synopsis of the FM guidelines and design criteria for MFL walls. The user will be provided with a general understanding of the design requirements for each of the different types of MFL firewalls as preparation for understanding and implementing the FM Loss Prevention Data publications required for the design of MFL walls. At the conclusion of this course, the student will:
Course Introduction
A maximum foreseeable
loss resulting from a catastrophic fire can be mitigated through the proper design
and construction of a Factory Mutual MFL firewall. Strength and stability criteria
and design requirements vary for the different types of MFL walls that can be
constructed. Special conditions that can occur must be properly addressed in order
to maintain the integrity of a MFL wall. Recommendations provided in the FM Loss
Prevention Data publications provide specific guidelines for the proper design
and construction of MFL walls. Course
Content Definition Maximum Foreseeable Loss (MFL) is the largest loss that may be
expected from a single fire to a facility as defined by Factory Mutual Engineering
Corporation (FM). The following information provides a synopsis of the loss
prevention recommendations provided by FM for MFL firewalls. It is strongly
recommended that the building designer obtain a copy of all applicable FM Loss
Prevention Data publications prior to establishing the required construction
of any MFL firewall.
It is assumed that fire protection is based on conditions where control of a fire is based solely on the physical barriers or space separation between buildings and where public fire departments provide fire fighting. This includes the assumption that a facilities' own fire fighting manpower and equipment are equal to a public fire department
Large facilities are generally divided into separate fire control areas to limit the spread of damage. The spread of fire in single story manufacturing buildings can be limited by the separation provided by MFL firewalls. In multi-story buildings, spread of fire from one story to another is limited by the floor construction, exterior wall construction and by enclosures around stairways, elevator shafts and other similar openings.
The need for an MFL firewall is usually determined by the potential risk of loss from a single fire. The wall must be designed for independent stability as well as fire resistance and must be able to confine an uncontrolled fire from spreading. In addition to stability and fire resistance, other factors that must be considered in the design of a MFL wall are protection of openings, exterior walls, parapets and penetrations. The design and construction should prevent fire spread through, under, over or around the MFL firewall.
The placement of a MFL firewall takes into consideration property damage and loss of use of the facility. MFL firewalls are used to subdivide production, manufacturing and storage areas. It is helpful to limit penetrations and openings in the wall. Loading docks and roof-mounted equipment should be placed at an adequate distance from the firewall.
A MFL firewall
must have insulating qualities so that temperatures on the unexposed face of
the wall will not ignite combustibles. The required fire rating of the wall
is determined by the expected severity and durations of the fire. MFL firewalls
normally need a 4-hour fire-resistance rating. The selection of materials and
methods to meet this requirement is the responsibility of the building designer.
Stability and Strength
Stability is an essential property of an MFL firewall, since it must remain standing during a fire even if the building frame on one side collapses. There are several different types of MFL firewalls each of which achieves stability in a different ways. It is not recommended to combine the aspects of two different types of MFL firewalls as this may result in a lack of stability under fire conditions.
Strength is necessary so that the wall will be able to resist explosions of unburned fire gases, impact from falling materials, the impact and thermal shock of fire hose streams, thermal stresses from the fire and forces imposed from the collapse of portions of the floors and/or roofs framing adjacent to the wall. Many modern industrial buildings depend on structural steel frames for stability. A wall, which obtains its lateral support from a steel frame, can be compromised by the collapse of the structure resulting from a fire.
As unprotected
steel trusses, girders or beams approach and exceed temperatures of 1000°
F, the material will initially expand, then lose its strength, which allows
the structure to twist and sag under the imposed and self-loads. Large horizontal
forces develop at the ends of the structure where restraints, such as walls
occur, as the steel first expands and then pulls away from the wall as the steel
fails. Design considerations must be taken into account to prevent any damage
as these lateral forces act on the wall in order to maintain the structural
integrity of the wall.
Types of MFL Firewalls
Cantilever MFL Firewalls
Cantilever MFL firewalls (see Figures 1 and 2) are entirely self-supporting without any ties to adjacent framing. They usually are constructed of reinforced concrete masonry, brick or reinforced concrete. Such walls are erected within an expansion joint or break in the framing and are not fastened to the building frame on either side. Horizontal forces in cantilever walls are induced by fire. The horizontal forces may be induced by the pull of flashing or as a burning portion of the building collapses, by irregularities of construction, or by warping of the wall due to heat exposure from a fire. For stability against horizontal forces, the wall then must rely on its own strength as a cantilever supported only at its base or footing. Sufficient lateral strength may be obtained by providing vertical reinforcing in the wall or with reinforced pilasters. Unreinforced pilaster or pilasters constructed on one side of the wall only usually do not adequately strengthen the wall. Tension stresses in mortar joints will limit the height of unreinforced 12" concrete block walls to approximately 15'-0" while reinforced cantilever walls over 30'-0" high are very expensive to construct.
Steel framing on
the fire side of the wall will expand and may cause failure of the wall particularly
when steel on each side of the wall does not line up horizontally or vertically
(see Figure 3). Adequate clearance between the wall and steel on both sides
is needed to allow for the framing on the fireside to reach the point of maximum
expansion without exerting any lateral force on the firewall (see Figure 4).

Figure 1

Figure 2

Figure 3

Figure 4
Tied MFL Fire Walls
Tied MFL firewalls (see Figure 7) are fastened to and usually encase members of a steel building frame. To remain stable, the pull of the collapsing steel on the fire side of the wall must be resisted by the strength of the unheated steel on the other side. Since the fire can occur on either side of the wall, the wall preferably should be located at the center of strength of the building frame or in other words the area of the building in which the steel framing on either side has equal lateral resistance. In small structures, the center of strength generally is in the middle of the building frame (see Figure 8). The center of strength may lie between two double-columns at an expansion joint (see Figure 10) in large buildings.
Tied MFL firewalls
should be load bearing. In such a case, when exposure to a fire can cause bowing
of the wall, the resulting lateral movement of the wall at mid-height should
be accounted in the design. In other cases sagging of the steel on top of the
collapsing side of the wall can also result in twisting forces at the top of
the wall.

Figure 7

Figure 8

Figure 9

Figure 10

Figure 11
One-Way MFL Firewalls
A wall that is
tied to a steel building frame on one side and is entirely independent of the
frame on the other side is a one-way firewall. Generally, this type of wall
is only effective if an uncontrolled fire starts in the area that is not providing
structural stability for the wall. One-way walls may also reduce the maximum
foreseeable loss when used in combination with a MFL firewall. As an example
(see Figure 13), a building could be separated into three areas by an MFL firewall
(A) and a one-way wall (B) tied to the steel frame of Areas 1 and 3. A fire
originating in Area 1 could involve two of the areas (1 and 2) but would be
prevented from entering the third area (3) by the one-way wall.

Figure 13

Figure 14
Two distant one-way walls in parallel can be built at a double-column line expansion joints. As an example (see Figure14), one-way firewalls (A) could be tied to the steel framework of Areas 1 and 3. A single fire would not involve more than two areas. Usually a 4-hour fire rating is needed.
Double MFL Firewalls
A double MLF firewall
(see Figures 16 and 17) consists of two one-way walls back to back. This type
of condition is typically used where an addition to a plant requires an MFL
firewall between an existing structure and a new building. The existing wall,
which is secured to the building frame, is altered to provide the proper fire
resistance if necessary. Another firewall is then constructed close to the existing
one and secured to the new building frame. When an uncontrolled fire occurs
on either side of this double wall, the building frame on the fire side will
collapse, pulling the wall on that side with it. The other wall, being supported
by the steel on the protected side, will remain in place to stop the fire spread.

Figure 16

Figure 17
Reinforced Concrete Frame Panel MFL Firewalls
A reinforced concrete-frame
panel, MFL firewall consists of a 4-hour rated concrete wall tied to the columns
and/or floors and roof framing of a reinforced concrete building of equal fire
resistance. Since the building to which the wall is tied will be stable throughout
the duration of the fire, no special considerations need to be made regarding
stability. The span between, and connection to, columns and/or floors and roof
framing should be adequate to provide lateral panel strength of 5 PSF. If construction
on both sides of the wall is 4-hour fire rated reinforced concrete, the roof
or floor framing would not sag onto pipe penetrations through the wall and then
collapse. As a consequence, recommendations 1 and 3 in the "Pipes, Conduit,
Cables and Ducts" section do not apply to this situation.
Special Conditions
Control of Cracking
MFL firewalls should have expansion joins in line with those of the building frame to prevent cracking. The width of these joints is determined by normal building temperature change. Control joints should also be provided in masonry walls to accommodate initial shrinkage in the wall. These normally are narrower than expansion joints and are usually spaced one per bay.
Parapets and Roof Protection
MFL firewalls have no value if an uncontrolled fire can sweep over the top of them and spread to the protected area via the roof. Parapets are needed to help prevent this. Where practical, parapets should be high enough to protect adjacent combustible monitors, penthouses, cooling towers and roofs from direct ignition by heat or flames passing over the wall. Resistance of the parapet to wind or earthquake loads also must be considered. Extremely high parapets are impractical to construct; consequently the design of the buildings should allow for structures to be as remote as possible from the MFL firewall.
Burning embers
and heat radiating over a parapet of reasonable height necessitates surface
protection for the adjacent roof covering and the space separating equipment
or structures mounted on or penetrating the roof (see Figure 21).

Figure 21
End Walls and Angle Exposure
The building walls at each end of a MFL firewall should be designed to prevent fire from sweeping around the MFL firewall. There also is danger of fire spread from the exterior walls of two buildings or sections of a building that form an angle at or near the end of the MFL firewall. Flames or heat can penetrate openings in walls across this intersection and start fires around the MFL fire wall. The degree of protection needed depends on the expected durability or the exterior walls during an uncontrolled fire, and on the hazards of the occupancies and construction.
Pipes, Conduit, Cables and Ducts
Pipes, conduits, cables and ducts preferably should not penetrate MFL firewalls since they could destroy the structural integrity and the fire resistance of the wall. If pipe, duct, conduit or cable penetration of a MFL firewalls is necessary, they should be kept to a minimum and the following precautions should be taken to maintain the integrity of the wall. Note that recommendations 1 and 3 do not apply to reinforced concrete frame MFL firewalls.
Openings in MFL Fire Walls
Openings present a serious threat to the integrity of an MFL firewall and require the best protection available. The fewer openings in an MFL fire wall, the greater its reliability. Protection of material handling system openings in MFL firewalls is usually a challenge requiring ingenuity and careful design. Fire doors are rated according to ASTM E-152 Fire Test of Door Assemblies. The standard does not have limitations on heat transmission through a door. Heat transmission through a fire door is usually much greater than through a MFL firewall with a comparable fire rating.
Detectors that may be used are devices such as fusible links, and rate-of-rise heat detectors. When the environment or occupancy is suitable, electronic smoke detectors or ionization detectors also may be used. Detectors operate the release mechanisms that allow door closures to operate.
Space Separation
Instead of an MFL firewall, subdivision of areas may be provided by adequate space separation between buildings. The area must remain clear of combustible materials. Space separation is one aspect of MFL subdivision where judgment is extremely important. Many factors need to be considered in determining how much separation is needed. These factors include the height and severity of the exposure hazard, the floor area, type of building construction and length of the exposing wall and the construction of the walls and roof of the exposed building.
Table 3 can be used as a guideline for acceptable MFL cut-offs. The base separation distances given are for exposing building heights up to 20'-0" and assume no unfavorable conditions, such as yard storage or flowing flammable liquids. For each additional 15'-0" of height, the space separation should be increased by 10'-0".

Recommendations
Strength and Stability:
1. MFL firewalls should have adequate strength. For unreinforced masonry or concrete MFL firewalls, the ratio of unsupported height or length (between expansion or control joints), whichever is the least dimension, to the nominal thickness of the wall should not exceed 10 for hollow masonry units and 30 for masonry units that are at least 75% solid. Walls should be designed to resist a minimum uniform lateral load of 5 PSF. This capacity is accomplished easily in all walls except the freestanding cantilever type.
2. For locations in active earthquake areas a MFL firewall should be designed for seismic conditions. Tied walls are preferable in such locations. For walls other than tied, provide suitable seismic joints.
3. Walls designed as MFL firewalls do not typically have sufficient strength to act as explosion-resistant walls. Flammable liquid mixing and storage rooms should be located away from MFL firewalls.
4. Due to the complexity of rack-supported roof structures, only double MFL firewalls should be considered for interior subdivision.
5. Bridging for joists or trusses should not be continuous through an MFL firewall.
6. Foundations require a special consideration to provide adequate overturning resistance for freestanding walls.
7. MFL firewalls, unless otherwise noted, normally should be designed for 4-hour fire-resistance.
8. Use only tested assemblies or materials. Avoid wall assemblies that contain foam plastic insulation.
9. Use only Type M or S mortars for masonry firewalls.
10. Spandrel beams used in openings in MFL firewalls may be constructed of concrete or concrete masonry bond beams. If steel spandrel beams are used, they should be totally encased in concrete or other fire-resistive material.
11. When concrete masonry construction is used, a 4-hour fire-rated block is recommended.
Firewall Types:
Cantilevered
1. Cantilever walls should be designed for a maximum uniform lateral load of 5 PSF from either side to assure reasonable stability.
2. Cantilever walls should be securely fixed to their foundation to resist the moment due to the 5 PSF lateral load. This may be accomplished by reinforcement extending from the footing into the wall to resist the cantilever moment. The soil and concrete floor slab can be utilized to develop the resisting moment needed at the footing.
3. To prevent damage
during initial steel expansion, clearance (see Table 1) should be provided between
the wall and the steel framing on each side of the cantilever walls. Alternately
a solid masonry or concrete pilaster or corbel (see Figure 5) can be constructed
between the wall and structural steel. A layer of building paper should be placed
over the structural steel to prevent bonding to it. If clearance is needed for
normal building expansion, a small space can be maintained between the column
and the pilaster or corbel. The pilaster or corbel should be at least 2'-0"
wide. Corbels should be at least as high on each face as the adjacent primary
structural steel member but the face abutting the walls should be no less than
2'-0". Pilasters or corbels are not needed on walls up to 40'-0" if
the wall is a maximum of ¾"from the structural framework. For walls
higher than 40'-0", this maximum space may be increased ¼"
for every additional 10'-0" of wall height (see Figure 6). The space between
the corbels or pilasters and adjacent framework should not exceed the previously
stated guidelines. A bond beam should be installed in the second course below
the bottom of the primary steel and all cores of concrete block above should
be filled with concrete. If the primary steel is parallel to the MFL firewall
and the secondary steel (which would in that case be perpendicular to the wall)
consists of hot-rolled structural shapes, the bond beam and grouted cores above
should extend the entire length of the structure. Otherwise, the bond beam and
grouted cores need only extend 1'-0"on each side of the columns. A steel
assembly can be used in lieu of a corbel; however, it should be designed to
withstand the load due to the steel frame expanding without crushing wall.


Figure 5

Figure 6
4. If tilt-up or precast concrete construction is used in a cantilever wall
design, particular attention should be paid to the connection to the footing
or pilasters such that it can adequately resist the overturning moment and maintain
a 4-hour fire resistance.
5. Future cantilever firewalls used as temporary exterior walls (until future construction occurs) are exposed to wind and therefore should be fastened to the building frame until the additional building is built or designed to be self-supporting. Care should then be taken to assure that all ties to the wall are completely cut when new construction is applied if the wall is not designed as a cantilever for the temporary wind exposure.
6. Cantilever walls are not recommended in seismic areas. If used, they should be specifically designed to resist the anticipated earthquake forces.
Tied
1. A tied wall should follow a column line to take advantage of the vertical strength of the column and to minimize twisting forces on the wall. The steel columns and roof framing in line with the wall should have fire resistance equal to the wall. For situations where the wall is constructed between columns on a double-column line, the column and beams parallel to the wall immediately on each side should be rated to a fire resistance equal to the wall to prevent the steel from buckling and fracturing the wall.
2. The steel framing on each side of a tied MFL firewall should be at the same elevation an in line horizontally.
3. When the steel frames on either side of the wall are not of equivalent strength (see Figure 9) provisions must be made so that the lateral resistance of the frame on either side of the wall is sufficient to resist the horizontal component of the force resulting from collapsing steel on the opposite side. The horizontal force may be computed by using the following formula;
H = (WL
Where: H = Horizontal
pull in pounds
W = Dead load of the roof per structure, pounds per foot. (In some conditions,
such as when ponding of rainwater or snow is anticipated, W should also include
live load)
L = Truss or beam span in feet.
S = Sag in feet that may be assumed as: 0.07L for open-web trusses; 0.09L for
solid-web beams
4. At the roof level, the expected horizontal pull should be transmitted through the wall with continuous steel framing (for single column line tied walls) or though wall ties (for double-column line tied walls. Masonry anchors from the wall to the respective framework on each side will not provide an adequate tie.
5. Where the wall is constructed between columns on a double column line, the ties should be designed based on the formula above using an allowable stress of 70 psi. Two tie rods per column should be used to reduce torsion (see Figure 11) when the primary steel is perpendicular to the wall. The ties should be connected to the roof framing steel over the columns. When the primary steel is parallel to the wall it may be necessary to install ties more often than every column line (see Figure 12). Nuts for through wall ties should be backed off slightly (up to ¾ inch) for walls up to 40'-0" high with an additional ¼ inch added for every addition 10'-0" of wall height to allow for normal building movement. While through wall connections should be used to make steel framework continuous across the wall, flexible masonry anchors should be provided to brace the wall laterally. Enough slack should be provided in the anchors to compensate for the slack in the through wall ties. This is to prevent the collapsing steel from pulling on the wall before there is resistance from the steel on the unexposed side.
6. To prevent damage
during initial steel expansion to double-column line, tied MFL firewalls clearance
should be provided between the wall and the steel framing on each side of the
wall (see Table 1). As an alternative it is acceptable to construct solid masonry
or concrete pilasters or corbels (see Figure 5) between the wall and structural
steel. If necessary, a layer of building paper should be placed over the structural
steel to prevent bonding to it. If clearance is needed for normal building expansion,
a small space may be maintained between the column and the pilaster or corbel.
The pilaster or corbel should be at least 2'-0" wide. Corbels should be
at least as high on each face as the adjacent primary structural steel member
but the face abutting the wall should be no less than 2'-0". Pilasters
or corbels are not needed on walls up to 40'-0" if the wall is a maximum
of ¾ inch from the structural framework. For walls higher than 40'-0"
this maximum space may be increased ¼ inch for every additional 10'-0"
of wall height (see Figure 6). The space between corbels or pilasters and adjacent
framework should not exceed the above guidelines. A bond beam should be installed
in the second course below the bottom of the primary steel and all cores of
concrete block above should be filled with concrete. If the primary steel is
parallel to the firewall and the secondary steel (which would in that case be
perpendicular to the wall) consists of hot-rolled structural shapes, the bond
beam and grouted cores above should extend the entire length of the structure.
Otherwise, the bond beam and grouted cores need only extend 1'-0" on each
side of the column.

Figure 12
7. In the case of
single-column line tied MFL walls, the framing on the unexposed side of the
wall will resist steel expansion on the fire side. However, the connection of
the wall to the columns should allow some flexibility as the building frame
on the unexposed side will deflect laterally as a result of the pull from the
sagging steel on the fire side. This can be accomplished by using flexible masonry
anchors or using concrete blocks that loosely key into the re-entrant space
of the column. If sprayed-on fireproofing is used, the entire column should
be sprayed before the wall is constructed.
One-way
1. One-way walls should be tied only to the frame of the area to be protected.
2. To prevent damage
during the initial steel expansion, clearance (according to Table 1) should
be provided between the wall and the steel framing not tied to the wall. An
alternative would be to construct a solid masonry or concrete pilaster or corbel
(see Figure 16) between the wall and structural steel on the side the wall is
tied to. If necessary, a layer of building paper should be placed over the structural
steel to prevent bonding to it. If clearance is needed for normal building expansion,
a small space may be maintained between the column and the pilaster or corbel.
The pilaster or corbel should be at least 2'-0" wide. Corbels should be
at least as high on each face as the adjacent primary structural steel member,
but the face abutting the wall should be no less than 2'-0" (see Figure
15). Pilasters or corbels are not needed on walls up to 40'-0" if the wall
is a maximum of ¾ inch from the structural framework on the side to which
the wall is tied. For walls higher than 40'-0" this maximum space may be
increased ¼ inch for every addition 10'-0" of wall height (see Figure
6). The space between corbels or pilasters and adjacent framework should not
exceed the guidelines stated previously. A bond beam should be installed in
the second course below the bottom of the primary steel and all cores of concrete
block above should be filled with concrete. If the primary steel is parallel
to the MFL firewall and the secondary steel (which would in that case be perpendicular
to the wall) consists of hot-rolled structural shapes, the bond beam and grouted
cores above should extend the entire length of the structure. Otherwise, the
bond beam and the routed cores need only extend 1'-0" on each side of the
column. A steel assembly may be used in lieu of a corbel; however, it should
be designed to withstand the load due to steel frame expansion without crushing
the wall construction. This alternative applies only if the steel framing lines
up horizontally and vertically on opposite sides of the wall.

Figure 15
Double
1. Each of the two wall elements should have a 3-hour fire resistance rating.
2. If significant separation to prevent bonding of masonry walls is lacking, a layer of building paper or other suitable material should be used between the walls.
3. To prevent damage
to the remaining wall during initial steel expansion resulting from the extreme
heat of the fire, clearance (according to Table 1) should be provided between
the walls (see Figure 18) or in accordance with Figure 19. An alternative would
be to construct solid masonry or concrete pilasters, or corbels (see Figure
19) between the wall and structural steel. If necessary, a layer of building
papers should be placed over the structural steel to prevent bonding to it.
If clearance is needed for normal building expansion, a small space may be maintained
between the column and the pilaster or corbel. The pilaster or corbel should
be at least 2'-0" wide. Corbels should be at least as high on each face
as the adjacent primary structural steel member but the face abutting the wall
should be no less than 2'-0" (see Figure 19). Pilasters or corbels are
not needed on walls up to 40'-0" if the wall is a maximum of ¾ inch
from the structural framework. For walls higher than 40'-0" this maximum
space may be increased ¼ inch for every additional 10'-0" of wall
height. The space between corbels or pilasters and adjacent framework should
not exceed the previously stated guidelines. A steel assembly may be used in
lieu of a corbel; however, it should be designed to withstand the load due to
steel frame expansion without crushing the wall construction. This alternative
applies only when the steel framing lines up horizontally and vertically on
each side of the wall.

Figure 18

Figure 19
4. Each wall should
be anchored to its respective steel framework at the roof level. There should
be no connections other than the roof flashing between the walls. Particular
attention should be paid to details at openings in the walls and at the roof
flashing between the walls.
Reinforced concrete frame panels
1. If the panel wall is tied to a 4-hour fire-rated reinforced concrete frame building on one side, but the building on the other side is of different construction (such as steel) the following should be done:
a. No structural connections should be made to the inadequately fire-rated building frame.
b. The recommendations listed in the section, "one-way MFL Firewalls" should be followed.
c. All recommendations in the "Pipes, Conduit Cables and Ducts" section should be followed.
Special Conditions:
Crack control
1. An MFL firewall
should have expansion joints spaced a maximum of 200'-0" and be placed
in line with those of the adjacent building frame. The expansion joints in the
wall should be not more than 2 inches wide. They should be filled with compressible,
fire-resistive sealer, and held in place by steel cover plates. The plates should
be provided over each face of the joint, but fastened to only one side of the
joint (see Figure 20). Combustible materials should be kept at least 1'-0"
away from the expansion joints.

Figure 20
2. In order to prevent irregular cracking due to initial shrinkage of the concrete masonry in an MFL firewall, control joints should be provided at intervals not exceeding 50'-0".
3. Joint reinforcement should be laid in every other horizontal joint of concrete block walls (16 inches on center) for stiffening and additional shrinkage control. In addition, joint reinforcement should be placed in every joint above and below wall openings and extend at least 24 inches horizontally from the openings in the first three joints above and below the opening. Reinforcement should also be provided in the three joints immediately above and below the top of the wall. Joint reinforcement should be interrupted at control joints and expansion joints. Bond beams should be spaced at a maximum of 4'-0" on center vertically and may be used in lieu of joint reinforcement. However, joint reinforcement still should be provided midway between the bond beams. Bond beams should have a minimum steel reinforcement of two #4 reinforcing bars.
Parapets and roof protection
1. Except where noted otherwise, MFL firewalls should be provided with parapets at least 30 inches high. The 30-inch dimension should be measured from the top surface of the protected roof to the top of the parapet.
2. Built-up roofs should be surfaced for at least 25'-0" on both sides of the MFL firewall with gravel or slag (see Figure 22). The application rate should be at least 4 PSF. Where the roof slope is too great to make gravel surfacing practical, the roof should be coated with a lightweight, exterior grade, fire-resistant coating. Single-ply membranes should be protected by pavers, blocks or large gravel ballast. When the roof dead load is not adequate to support the 10 to 12 PSF ballast load, the top surface of the roof may be protected with a coating as described previously if the roof membrane is totally adhered.

Figure 22
3. Where a higher building or higher portion of a building adjoins a lower building at a MFL firewall, the exterior wall above the roof of the lower building should be blank (i.e. not have any windows) and have a 2 to 3-hour fire resistance (see Figure 22) depending on the occupancy and construction of the exposed building. The lower building should always have a 30-inch high parapet. A parapet may be omitted on the higher building if there is at least a 15'-0" to 50'-0" elevation difference, depending on the severity of the exposure. When the parapet is not needed, the exterior wall construction should extend up to the gravel stop. Gravel surfacing or the equivalent is still recommended for 25'-0" on both the higher and lower roof. Preferably, the upper section should be constructed of fire-rated metal panels to reduce the probability of damage to the lower roof from falling concrete masonry units. The assembly can be arranged in either to two ways:
a. The high bay and low bay may be separated by a double MFL fire wall, each tied to their respective frame-work or;
b. A cantilevered 4-hour firewall can be constructed from the foundation to the top of the parapet level for the lower roof. The upper wall section should be 2 or 3-hour fire rated and tied to the framework of the higher building. The upper wall section should not be connected to or extend over the face of the lower wall section. The space between the upper and lower wall sections should be filled with a fire-resistive sealer.
4. Monitors, penthouses, cooling towers or other combustible structures mounted on roofs present special problems and require individual attention. Such structures should be located at 50'-0" from firewalls. Unusually high roof structures (over 20'-0" in height) may require a greater separation distance. When this is not practical, fire partitions should be constructed on the exposed side of the roof projection. Heat and smoke vents, skylights and roof penetrations for air-handling equipment should be located at least 25'-0" from the MFL firewalls.
End walls and angle exposure
1. The length and arrangement of exterior walls that are perpendicular to the MFL firewall on each side should be based on the occupancy exposing the firewall and should be constructed according to Figure 23 or Figure 24 and Table 2. Construction should be blank and 2-hour fire-rated.


Figure 23

Figure 24

Figure 25
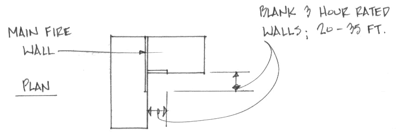
2. Orthogonal exposure at the end of an MFL firewall or section should be protected by constructing both exterior walls as a blank, 3-hour rated, masonry or concrete wall (see Figure 25). The length of protection (Y) should be 20'-0" to 35'-0", depending on the severity of exposure. In addition, construction of each wall and eave beyond should be of non-combustible materials.
3. End wall and orthogonal wall exposure protection should have a 12-inch parapet.
4. There should be no dock openings, equipment or yard storage within 20'-0" on each side of the MFL firewall.
5. Railroad sidings preferably should be located at the end of the building, which is parallel to the MFL firewall. Alternatively, if the railroad siding runs perpendicular to the MFL firewall, on the outside of the building, there should be no combustible construction or exterior wall openings for 20'-0" on each side of the MFL wall.
6. Elevation drops perpendicular to firewalls should be protected as orthogonal exposure (see Figure 26).

Figure 26
Pipes, conduits, cables and ducts
1. Pipes, conduit and cables (regardless of size) penetrating MFL firewalls should be positioned to pass through the wall as close as practical to, but no more than 3'-0" above the finished floor level. A steel sleeve with a 1-inch clearance should be left around the pipe or conduit, to be filled with an approved fire-resistive pipe or cable sealer with a 3-hour fire rating. It is preferred that mesh reinforcement be provided in the horizontal joints above and below pipes in concrete block walls and that all cores of the concrete block immediately adjacent to pipe penetrations be filled with concrete. Pipe and conduit should not penetrate the wall in clusters. If more than one pipe penetrates the wall in the same area, the pipes should be spaced at least three times the larger pipe diameter on center. Exposed cable with combustible insulation should be wrapped with a fire-resistive tape for at least 3'-0" on each side of the wall.
2. Heating, ventilating and air conditioning ducts penetrating MFL firewalls should be arranged with a slip joint located on each side of the wall as near to the face of the wall as practical. One 3-hour fire door or single blade damper should be provided in the section of duct that penetrates and should be securely fastened to the wall at the opening. Either a vertical sliding or vertical swing type may be used. Two dampers should be provided for a double wall with a slip joint between the walls. Access panels should be installed nearby and the doors/dampers should be trip-tested and cleaned annually, or more often if necessary.
3. Piping, conduit and connected electrical control panels, and cables should not be laterally braced or supported by walls other than double MFL fire walls.
4. When piping is used to convey flammable liquids (such as fuel oil), fusible link-actuated, fire safe shutoff valves should be provided on each side of the firewall as close to the wall as possible and should be connected with a section of metal piping. Fusible links should be located immediately over the valves and at ceiling level on each side of the wall. Links should be connected with cable running through steel tubing in the wall and arranged so that both valves will close when any one link fuses.
5. Only steel conduit or ducts should pass through any MFL firewall. Where combustible pipes are used, a section of metal pipe extending at least 3'-0" from the point of penetration on each side of the wall should be provided. An alternative would be to provide protection as described in recommendation #4 above.
6. Combustibles should be kept at least 1'-0" away from pipes, ducts, plates, conduit, etc., where they penetrate the wall.
Openings
1. The use of doorways or other openings in MLF firewalls should be minimized. When necessary, they should be as small as practical, and protected by fire doors.
2. Except where noted, all openings in MFL firewalls should be protected with two automatic closing, minimum 3-hour rated fire doors, on each side of the opening. Two doors are recommended for all such openings to increase the probability of at least one door closing. One door is sufficient at conveyor openings and duct penetrations in single MFL firewalls; however, two doors are needed for double MFL firewalls. Detectors to initiate operation of door closures should be located where they will be promptly affected. For example, a detector should be located just above the opening for sliding doors, or on the flame hood for rolling steel doors. In addition, a detector should be provided immediately below the ceiling, no more than 6 inches to 12 inches away, horizontally, from the intersection of the wall and ceiling. Where activation is by electric or pneumatic power, the system should be arranged so the door will close if power is interrupted.
3. Where personnel doors (up to a maximum size of 4'-0" x 8'-0") swinging in the directions of the exit route, are required for egress according to the governing codes, a single minimum 3-hour rated fire door may be provided. The door should be provided with a positive latch and door closer. The door normally should be closed. If a double MFL firewall is used or if the door will not be normally closed, two doors (one on each side of the wall) should be provided. If local codes require that these doors open in the same direction, a 4-hour fire-rated; reinforced concrete vestibule can be utilized, with a door on each end. If double egress doors (a pair of side-by-side doors swinging in opposite directions) are required by the local code, one set of doors may be used only if the doors are self-closing and latch into a fixed (versus removable) mullion. Otherwise, two sets of doors (one on each side of the wall) should be provided, one set at each end of a 4-hour fire rated, reinforced concrete vestibule.
4. Combustibles should be kept far enough away from fire doors to prevent their ignition. The clear distance perpendicular to the wall should be 8 times the maximum dimension of the door, but not less than 6'-0".
5. All fire doors no longer required for passage should be removed and the space filled in with masonry of a fire resistance rating equal of that of the original wall. Steel jambs should be removed or made fire resistant.
6. Approved minimum 3-hour rated doors should be provided on MFL firewalls. Glass vision panels are not acceptable.
Space separation
1. Steps should be taken to prevent yard storage from negating space separation. If yard storage can't be avoided, maintain adequate space between yard storage and the exposed building using Table 3 as a guideline.
2. Adequate curbs or dikes and drainage should be provided for flammable liquids that are exposed at the point of space separation.
3. Consider protection of conveyors, pipes, bridges and other connector links that could damage or otherwise compromise the protective wall of an exposed building. Bridges should have separate steel framing or fireproofed supports so as not to collapse the protecting wall of the exposed building.
4. The roof of the exposed building should have a gravel surface of equivalent protection within 25'-0" of the exposure.
Course Summary
A Factory Mutual MFL wall is a special type of designated firewall. Loss Prevention Data publications must be used as the basis for the design and construction of MFL firewalls. There are five basic types of MFL walls and include cantilever, tied, one-way, double and reinforced concrete-frame panel. Special conditions that must be addressed during the design and construction of a MFL wall include crack control, parapets, roof protection, end walls, angle exposure, pipes, conduits, cables and ducts penetrations, wall openings and space separation.
Related Links
For additional information related to this subject, please visit the following websites or web pages:
Quiz
Once you finish studying the above course content, you need to take a quiz to obtain the PDH credits.